热线电话:0511-83126858 13815176128
网站首页
公司简介
新闻资讯
产品中心
产品参数
荣誉资质
人才招聘
客户留言
联系我们
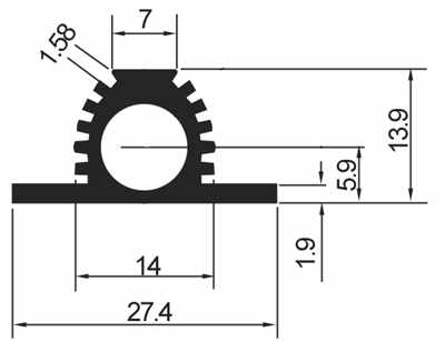
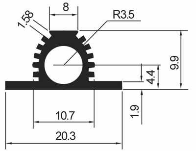
电子散热器技术参数
1cm-21cm型材电子散热器
1cm型材散热器
2cm型材散热器
3cm型材散热器
4cm型材散热器
5cm型材散热器
6cm型材散热器
7cm型材散热器
8cm型材散热器
9cm型材散热器
10cm型材散热器
21cm-30cm型材电子散热器
21cm型材散热器
22cm型材散热器
23cm型材散热器
24cm型材散热器
25cm型材散热器
26cm-29cm型材散热器
30cm型材散热器
31cm-50cm型材电子散热器
31cm型材散热器
40cm-50cm型材散热器
电子散热器产品搜索
地址:江苏省镇江市新区大路镇闸南路85号 邮编:212133
电话:0511-83126858
传真:0511-83126878
邮箱:zj@zjcdsrq.com
网站首页 - 产品参数 - 1cm-21cm型材散热器 - 2cm型材散热器